1

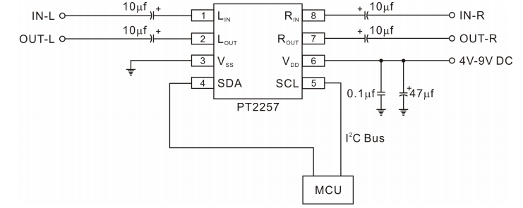
Тема: PT2257 + OLED 128x32

http://forum.rcl-radio.ru/uploads/images/2026/01/233aaa5371e0f4f322498c18039693e8.png


http://forum.rcl-radio.ru/uploads/images/2026/01/c9200d50cc2d87a6afa7bca554b03f96.png


// энкодер
#define ENC_DT       9
#define ENC_CLK      8
#define ENC_SW       10

// ИК датчик
#define IR           12

// кнопки управления
#define POWER_BUTTON    3
#define MUTE_BUTTON     4

// выход управления standby
#define STANDBY_OUT     13

// коды кнопок ИК пульта
#define MENU      0x2FDB24D // button encoder
#define UP        0x2FDD02F // >>>
#define DW        0x2FD32CD // <<<
#define POWER_IR  0x2FD00FF // POWER
#define MUTE_IR   0x2FDB04F // MUTE

#include <Wire.h> 
#include <U8glib.h>             // https://github.com/olikraus/u8glib/
#include <Encoder.h>            // http://rcl-radio.ru/wp-content/uploads/2019/05/Encoder.zip    
#include <EEPROM.h>
#include <MsTimer2.h>           // http://rcl-radio.ru/wp-content/uploads/2018/11/MsTimer2.zip       
#include <boarddefs.h>          // входит в состав библиотеки IRremote
#include <IRremote.h>           // http://rcl-radio.ru/wp-content/uploads/2019/06/IRremote.zip
#include <PT2257.h>             // http://rcl-radio.ru/wp-content/uploads/2019/01/PT2257.zip

 U8GLIB_SSD1306_128X32 u8g(U8G_I2C_OPT_NONE);  // I2C / TWI 
 IRrecv irrecv(IR);
 Encoder myEnc(ENC_DT, ENC_CLK);
 decode_results ir; 
 PT2257 rt;

 extern uint8_t SmallFont[],BigNumbers[];
 long times,oldPosition  = -999,newPosition;
 int vol,balans,bass,treb,in,menu;
 bool mute=0,gr1,gr2,w,w1,power=0;

 void setup(){
  Wire.begin();
  irrecv.enableIRIn();
  Serial.begin(9600);
  MsTimer2::set(3, to_Timer);MsTimer2::start();
  if(EEPROM.read(100)!=0){for(int i=0;i<101;i++){EEPROM.update(i,0);}}// очистка памяти при первом включении  
  pinMode(POWER_BUTTON,INPUT_PULLUP);
  pinMode(MUTE_BUTTON,INPUT_PULLUP);
  pinMode(STANDBY_OUT,OUTPUT); 

 u8g.firstPage(); do {
  u8g.setFont(u8g_font_profont29r);u8g.drawStr(5,25,"PT2257"); 
  }while( u8g.nextPage() );

  delay(300);
  digitalWrite(STANDBY_OUT,LOW);
  vol = EEPROM.read(0);balans = EEPROM.read(3)-8;
  audio(); 
 }

 void loop(){
  // IR ////////////////////////////////////////
  if ( irrecv.decode( &ir )) {Serial.print("0x");Serial.println( ir.value,HEX);irrecv.resume();times=millis();w=1;}// IR приемник - чтение, в мониторе порта отображаются коды кнопок
  if(ir.value==0){gr1=0;gr2=0;}// запрет нажатий не активных кнопок пульта  
  
 if(power==0){ 
 if(digitalRead(ENC_SW)==LOW || ir.value==MENU){menu++;cl();delay(200);times=millis();w1=1;w=1;if(menu>1){menu=0;}} // меню


 if((digitalRead(MUTE_BUTTON)==LOW || ir.value==MUTE_IR)&& mute==0){mute=1;cl();times=millis();w1=1;w=1;audio();
 u8g.firstPage(); do {u8g.setFont(u8g_font_profont29r);u8g.drawStr(25,25,"MUTE");}while( u8g.nextPage() );delay(300);menu=100;} // mute on 

 if((digitalRead(MUTE_BUTTON)==LOW || ir.value==MUTE_IR)&& mute==1){mute=0;cl();times=millis();w1=1;w=1;audio();
 delay(300);menu=0;} // mute off 
 }

 if((digitalRead(POWER_BUTTON)==LOW || ir.value==POWER_IR)&& power==0){power=1;cl();times=millis();w1=1;w=1;mute=1;audio();digitalWrite(STANDBY_OUT,HIGH);
 u8g.firstPage(); do {u8g.setFont(u8g_font_profont29r);u8g.drawStr(10,25,"STANDBY");}while( u8g.nextPage() );delay(2000);menu=100;
 u8g.firstPage(); do {}while( u8g.nextPage() );} // power on 

 if((digitalRead(POWER_BUTTON)==LOW || ir.value==POWER_IR)&& power==1){power=0;cl();times=millis();w1=1;w=1;mute=0;audio();digitalWrite(STANDBY_OUT,LOW);delay(300);menu=0;} // power off 
 
  
//////// VOLUME //////////////////////////////////////////////////////////////////////////////////////////////////////////////  
  if(menu==0){
   if(newPosition != oldPosition){oldPosition = newPosition;if(newPosition>1){newPosition=1;}if(newPosition<-1){newPosition=-1;}
   vol=vol+newPosition;myEnc.write(0);newPosition=0;times=millis();w=1;w1=1;vol_func();audio();}
 
   if(ir.value==UP){vol++;gr1=1;gr2=0;cl();times=millis();w=1;w1=1;vol_func();audio();}// кнопка > 
   if(ir.value==0xFFFFFFFF and gr1==1){vol++;gr2=0;cl();times=millis();w=1;w1=1;vol_func();audio();}// кнопка >>>>>>
   if(ir.value==DW){vol--;gr1=0;gr2=1;cl();times=millis();w=1;w1=1;vol_func();audio();}// кнопка <
   if(ir.value==0xFFFFFFFF and gr2==1){vol--;gr1=0;cl();times=millis();w=1;w1=1;vol_func();audio();}// кнопка <<<<<<
 
  if(w==1){w=0;
 // Serial.println(63-vol+balans);
  u8g.firstPage();  
   do {
  u8g.setFont(u8g_font_profont12r);u8g.drawStr(0,8,"VOLUME");
  u8g.setFont(u8g_font_profont29r); u8g.setPrintPos(95, 24);u8g.print(vol-8);
  for(int v_pos=0; v_pos<(71-8)*1.3;v_pos+=4){u8g.drawBox(v_pos+0,16, 2, 1);}
  for(int v_pos=0; v_pos<(vol-8)*1.3;v_pos+=4){u8g.drawBox(v_pos+0,18, 2, 9);}
  for(int v_pos=0; v_pos<(71-8)*1.3;v_pos+=4){u8g.drawBox(v_pos+0,28, 2, 1);}
   } while( u8g.nextPage() );
  }}

///////// BALL /////////////////////////////////////////////////////////////////////////////////////////////////////////////////
  if(menu==1){
   if(newPosition != oldPosition){oldPosition = newPosition;if(newPosition>1){newPosition=1;}if(newPosition<-1){newPosition=-1;}
   balans=balans+newPosition;myEnc.write(0);newPosition=0;times=millis();w=1;w1=1;ball_func();audio();}

   if(ir.value==UP){balans++;gr1=1;gr2=0;ir.value=0;times=millis();w=1;w1=1;ball_func();audio();}// кнопка > 
   if(ir.value==DW){balans--;gr1=0;gr2=1;ir.value=0;times=millis();w=1;w1=1;ball_func();audio();}// кнопка <
 
  if(w==1){w=0;
//  Serial.println(vol+balans);
//  Serial.println(vol-balans);
  u8g.firstPage();  
   do {
  u8g.setFont(u8g_font_profont12r);u8g.drawStr(0,8,"BALANCE");
  u8g.setFont(u8g_font_profont29r); 
  if(balans>=0){u8g.setPrintPos(112, 24);u8g.print(balans);u8g.drawStr(95,24,"+");}
  else{u8g.setPrintPos(95, 24);u8g.print(balans);}

  for(int v_pos=0; v_pos<(12-1)*8;v_pos+=4){u8g.drawBox(v_pos+0,16, 2, 1);}
  const int SCREEN_WIDTH = 84; 
  u8g.drawBox(43,18, 1, 9);// 0 dB
  if(balans >= 0){for(int v_pos=0; v_pos<(balans*4);v_pos+=4){u8g.drawBox(v_pos+48,18, 2, 9);}} 
  else{for(int v_pos=SCREEN_WIDTH-48; v_pos>(SCREEN_WIDTH-(abs(balans)*4)-48); v_pos-=4){u8g.drawBox(v_pos,18, 2, 9);}}
  for(int v_pos=0; v_pos<(12-1)*8;v_pos+=4){u8g.drawBox(v_pos+0,28, 2, 1);}
  
   } while( u8g.nextPage() );
  }}
  

////////////// EEPROM /////////////////////////////////////////////////////////////////////  
  if(millis()-times>5000 && w1==1 && power==0 && mute==0){
     EEPROM.update(0,vol);EEPROM.update(3,balans+8);
     menu=0;w1=0;w=1;myEnc.write(0);}
  }

 
void to_Timer(){newPosition = myEnc.read()/4;} 
void audio(){
  rt.setLeft(vol-8+balans); // int 0...79 
  rt.setRight(vol-8-balans);// int 0...79
  rt.setMute(mute);  // int 0...1
}

void vol_func(){if(vol>71){vol=71;}if(vol<=8){vol=8;}} // int 0 ... int 79 
void ball_func(){if(balans>8){balans=8;}if(balans<=-8){balans=-8;}}
void cl(){ir.value=0;delay(200);} 

2

Re: PT2257 + OLED 128x32

Всё отлично работает

3

Re: PT2257 + OLED 128x32

Доброе утро. А сложно поменять чип на m62429. У pt сильные наводки по шине при питании от одного источника напряжения. никакими фильтрами не убирается. может м62429 менее капризная

4

Re: PT2257 + OLED 128x32

Проверьте м62429 тестовым скетчем http://rcl-radio.ru/?p=63039

5

Re: PT2257 + OLED 128x32

на дисплее 1602 я собирал. там всё отлично. у pt2257 видимо проблема из-за того что i2c на отдной шине с дисплее и микросхемой. при питании от разных источников помехи отсутствуют

6

Re: PT2257 + OLED 128x32

я имел ввиду м62429 +0,91″ I2C 128×32 OLED

7

Re: PT2257 + OLED 128x32

http://forum.rcl-radio.ru/viewtopic.php … 072#p12072