Re: Миллиомметр 0 — 20 Ом (Arduino)
Я б собрал на Ардуино, но из за одного омметра тратить 1115 не охота(дорого стоит), а Мег8, у меня горсть.
А как насчет 3 в одном?
Вы не вошли. Пожалуйста, войдите или зарегистрируйтесь.
forum.rcl-radio.ru → Законченные проекты → Миллиомметр 0 — 20 Ом (Arduino)
Я б собрал на Ардуино, но из за одного омметра тратить 1115 не охота(дорого стоит), а Мег8, у меня горсть.
А как насчет 3 в одном?
вот нашел. Какой программатор указать?
USBASP
Нужно подобрать напряжение для каждого диапазона
if(n==0){ads.setGain(GAIN_SIXTEEN);multiplier = 0.0078125;}
if(u_iz>250&&n==0){n=1;}
if(n==1){ads.setGain(GAIN_EIGHT);multiplier = 0.015625;}
if(u_iz>500&&n==1){n=2;}
if(n==2){ads.setGain(GAIN_FOUR);multiplier = 0.03125;}
if(u_iz>1000&&n==2){n=3;}
if(n==3){ads.setGain(GAIN_TWO);multiplier = 0.0625;}
if(u_iz>2000&&n==3){n=4;}
if(n==4){ads.setGain(GAIN_ONE);multiplier = 0.125;}
как это сделать?
-----------
сдесь вы писали: http://rcl-radio.ru/?p=82486
Для прошивки ATmega8 нам понадобится программатор, в качестве программатора я буду использовать Arduino UNO.
А можно использовать Arduino Nano?
Измеряете точное сопротивление, подбираете multiplier чтобы у Вас были точные показания
Измеряете точное сопротивление, подбираете multiplier чтобы у Вас были точные показания
подбираете multiplier - не понял,подробнее
multiplier = 0.0078125; это первый предел
multiplier = 0.015625; второй так далее
multiplier = 0.0078125; это первый предел
multiplier = 0.015625; второй так далее
Извините , я так и не понял. Что за ПРЕДЕЛЫ и где измерять пределы?
На сопротевлении 100 Ом?
в loop добавьте Serial.println(n);
что бы знать какой предел выбран пр измерении сопротивления, далее изменяете multiplier для точного измерения сопротивления
какой рабочий код для атмеги 8 ?
код для atmega8 полностью совместим с atmega328
Arduino: 1.8.19 (Windows 10), Плата:"ATmega8, Yes (UART0), EEPROM retained, BOD 2.7V, LTO disabled, External 8 MHz"
c:/users/sanj49/appdata/local/arduino15/packages/arduino/tools/avr-gcc/7.3.0-atmel3.6.1-arduino7/bin/../lib/gcc/avr/7.3.0/../../../../avr/bin/ld.exe: C:\Temp\arduino_build_556621/ArduinoISP.ino.elf section `.text' will not fit in region `text'
c:/users/sanj49/appdata/local/arduino15/packages/arduino/tools/avr-gcc/7.3.0-atmel3.6.1-arduino7/bin/../lib/gcc/avr/7.3.0/../../../../avr/bin/ld.exe: region `text' overflowed by 958 bytes
collect2.exe: error: ld returned 1 exit status
exit status 1
Ошибка компиляции для платы ATmega8.
Опубликуйте скетч
Скетч сильно большой, уменьшите размер
Скетч использует 7306 байт (95%) памяти устройства. Всего доступно 7680 байт.
Глобальные переменные используют 354 байт (34%) динамической памяти, оставляя 670 байт для локальных переменных. Максимум: 1024 байт.
Немного уменьшил, теперь будет компилироваться
#include <Wire.h>
#include <Adafruit_ADS1015.h>//https://github.com/adafruit/Adafruit_ADS1X15/archive/master.zip
#include <LiquidCrystal.h>
Adafruit_ADS1115 ads;//(0x48);
/* в файле библиотеки Adafruit_ADS1015.cpp найти все строчки: ADS1015_REG_CONFIG_DR_1600SPS и заменить на: ADS1015_REG_CONFIG_DR_128SPS */
LiquidCrystal lcd(7, 8, 9, 10, 11, 12);// RS,E,D4,D5,D6,D7
float multiplier = 0.0078125;
const int u_pogr=10; // 10 мВ - погрешность ADS1115 при измерении 5 В
const float r_ogr=100.00; // эталонное сопротивление 100 Ом
float u3300;
int u_digital;
byte n,k;
long u_sum,u_an,x;
float u_iz,rx,rx_m;
void setup(void){lcd.begin(16, 2);ads.begin();delay(1000);}
void loop(){
while(x<50){
x++;ads.setGain(GAIN_TWOTHIRDS);u3300=ads.readADC_SingleEnded(2)*0.1875-u_pogr;}
k++;if(k==60){x=0;k=0;} // измерение напряжения 5В каждую минуту
if(n==0){ads.setGain(GAIN_SIXTEEN);multiplier = 0.0078125;}
if(u_iz>250&&n==0){n=1;}
if(n==1){ads.setGain(GAIN_EIGHT);multiplier = 0.015625;}
if(u_iz>500&&n==1){n=2;}
if(n==2){ads.setGain(GAIN_FOUR);multiplier = 0.03125;}
if(u_iz>1000&&n==2){n=3;}
if(n==3){ads.setGain(GAIN_TWO);multiplier = 0.0625;}
if(u_iz>2000&&n==3){n=4;}
if(n==4){ads.setGain(GAIN_ONE);multiplier = 0.125;}
if(u_iz>4000&&n==4){n=5;}
if(n==5){ads.setGain(GAIN_TWOTHIRDS);multiplier = 0.1875;}
if(u_iz<4000&&n==5){n=4;}
if(u_iz<2000&&n==4){n=3;}
if(u_iz<1000&&n==3){n=2;}
if(u_iz<500&&n==2){n=1;}
if(u_iz<250&&n==1){n=0;}
lcd.setCursor(1,0);
if(rx<1){rx_m=rx*1000;lcd.print("R = ");lcd.print(rx_m,1);lcd.print(" mOm");}
if(rx>=1&&rx<100){lcd.print("R = ");lcd.print(rx,3);lcd.print(" Om");}
if(rx>=100&&rx<1000){lcd.print("R = ");lcd.print(rx,2);lcd.print(" Om");}
if(rx>=1000){lcd.print(" Rx > 1000 Om ");}
lcd.setCursor(1,1);lcd.print("U = ");lcd.print(u3300,1);lcd.print(" mV");
u_sum=0;
for(int i=0;i<100;i++){ // измерение
u_digital = ads.readADC_Differential_0_1();
u_sum = u_sum + u_digital;
delay(1);
}
u_an=u_sum/100;
u_iz=u_an * multiplier;
//rx=(u3300/((u3300-u_iz)/r_ogr))-r_ogr;
rx = (r_ogr*u_iz)/(u3300-u_iz);
lcd.clear();
}Если укажите в настройках платы NO BOOTLOADER, свободного места будет еще больше.
Если укажите в настройках платы NO BOOTLOADER, свободного места будет еще больше.
NO BOOTLOADER, не изменял, оставил как есть
скеч загрузился
до скольки оМ измеряет єтот скетч?
до 1000 Ом
Обновление показаний примерно через 10 сек.
Очень неудобно, долго ждать. Как уменьшить время вывода на lsd
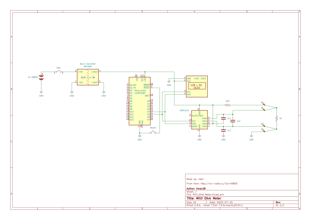
Thanks for the great project.
I used it with a 0.91" I2C 128×32 OLED screen.
Sorry about language mistakes, I'm English.
/*
Milliommeter 0 — 1000 Ohm (Arduino) using ADS1115 ADC
Author: liman28
From here: http://rcl-radio.ru/?p=45805 ; http://forum.rcl-radio.ru/viewtopic.php?id=39
Mods by JdeV: V1.0 05/07/2023
To disable Adafruit splash logo:
Uncomment //" #define SSD1306_NO_SPLASH" in Adafruit_SSD1306.h , latest version 2.5.7
*/
#include <Wire.h>
#include <Adafruit_ADS1X15.h> //https://github.com/adafruit/Adafruit_ADS1X15/archive/master.zip
#include <Adafruit_SSD1306.h>
Adafruit_ADS1115 ads; //(0x48);
#define SCREEN_WIDATA_PINH 128 //OLED display Width, in pixels
#define SCREEN_HEIGHT 32 // OLED display height, in pixels
#define SCREEN_ADDRESS 0x3C
Adafruit_SSD1306 display(SCREEN_WIDATA_PINH, SCREEN_HEIGHT, &Wire, -1);
float multiplier = 0.0078125;
const int u_pogr = -0.6; //10 mV - ADS1115 error when measuring 5 V
const float r_ogr = 99.15; //reference resistance 100 ohm Ref
float u3300; //Vdd 5V supply
int u_digital;
byte n, k;
long u_sum, u_an, x;
float u_iz, rx, rx_m;
void setup(void) {
Serial.begin(9600);
// SSD1306_SWITCHCAPVCC = generale display voltage from 3.3V internationally
if(!display.begin(SSD1306_SWITCHCAPVCC, SCREEN_ADDRESS) {
Serial.println(F("SSD1306 allocation failed"));
for(;); //Don't proceed, loop forever
}
ads.begin();
if (!ads.begin()) {
Serial.println("Failed to initialize ADS.");
while (1);
}
delay(10);
display.setTextSize(1);
display.setTextColor(WHITE);
display.setCursor(0.0);
display.print("Milliohm Meter");
display.setCursor(0.10);
display.print("0 - 1kOhm");
display.setCursor(0.20);
display.print("Designed by: Liman28");
display.display();
delay(3000);
display.clearDisplay();
}
void loop() {
while (x < 50) {
x++;
ads.setGain(GAIN_TWOTHIRDS);
u3300 = ads.readADC_SingleEnded(2) * 0.1875 - u_pogr;
}
k++; //measure 5V supply every minute
if (k == 60) {
x = 0;
k = 0;
}
if (n == 0) {
ads.setGain(GAIN_SIXTEEN);
multiplier = 0.0078125;
}
if (u_iz > 250 && n == 0) {n = 1; }
if (n == 1) {
ads.setGain(GAIN_EIGHT);
multiplier = 0.015625;
}
if (u_iz > 500 && n == 1) {n = 2; }
if (n == 2) {
ads.setGain(GAIN_FOUR);
multiplier = 0.03125;
}
if (u_iz > 1000 & & n == 2) {n = 3; }
if (n == 3) {
ads.setGain(GAIN_TWO);
multiplier = 0.0625;
}
if (u_iz > 2000 & & n == 3) {n = 4; }
if (n == 4) {
ads.setGain(GAIN_ONE);
multiplier = 0.125;
}
if (u_iz > 4000 & & n == 4) {n = 5; }
if (n == 5) {
ads.setGain(GAIN_TWOTHIRDS);
multiplier = 0.1875;
}
if (u_iz < 4000 & & n == 5) {n = 4; }
if (u_iz < 2000 & & n == 4) {n = 3; }
if (u_iz < 1000 & & n == 3) {n = 2; }
if (u_iz < 500 && n == 2) {n = 1; }
if (u_iz < 250 & & n == 1) {n = 0; }
if (u_iz > 4950) {//if probes open (value to be calibrated with 100k resistor, make it little more)
rx = 0.001;
display.setTextSize(2);
display.setTextColor(WHITE);
display.setCursor(5,10);
display.print("No Read");
display.display();
display.clearDisplay();
}
if (rx < 0.1 & & rx > 0.005) {
rx_m = rx * 1000;
display.setTextSize(2);
display.setTextColor(WHITE);
display.setCursor(0.7);
display.print(rx_m, 3);
display.print("m");
ohmSymbol();
}
if (rx < 1 & & rx >= 0.1) {
rx_m = rx * 1000;
display.setTextSize(2);
display.setTextColor(WHITE);
display.setCursor(0.7);
display.print(rx_m, 2);
display.print("m");
ohmSymbol();
}
if (rx >= 1 & & rx < 100) {
display.clearDisplay();
display.setTextSize(2);
display.setTextColor(WHITE);
display.setCursor(0.7);
display.print(rx,3);
display.print("");
ohmSymbol();
}
if (rx >= 100 & & rx < 1100) {
display.setTextSize(2);
display.setTextColor(WHITE);
display.setCursor(0.7);
display.print(rx,2);
ohmSymbol();
}
if (rx >= 1100) {
display.setTextSize(2);
display.setTextColor(WHITE);
display.setCursor(0.7);
display.print("Rx > 1k");
ohmSymbol();
}
//Serial.print("V = ");"
//Serial.print(u3300, 1);
//Serial.println("mV");
u_sum = 0;
for (int i = 0; i < 100; i++) {//Value ??
u_digital = ads.readADC_Differential_0_1();
u_sum = u_sum + u_digital;
delay(1);
}
u_an = u_sum /100;
u_iz = u_an * multiplier;
//rx=(u3300/((u3300-u_iz)/r_ogr))-r_ogr;
rx = (r_ogr * u_iz) / (u3300 - u_iz);
Serial.print("Rx:");Serial.print(rx); Serial.print("mV:"); Serial.print(u_iz,1); Serial.print("Multiplier:"); Serial.println(n);
display.clearDisplay();
}
void ohmSymbol() {
static const unsigned char PROGMEM omega_bmp[] =//omega (ohm) symbol
{ B00000011, B11000000,
B00001111, B11110000,
B00111000, B00011100,
B01100000, B00000110,
B01100000, B00000110,
B11000000, B0000011,
B11000000, B0000011,
B11000000, B0000011,
B11000000, B0000011,
B11000000, B0000011,
B01100000, B00000110,
B01100000, B00000110,
B01100000, B00000110,
B00110000, B00001100,
B11111000, B0001111,
B11111100, B00111111 };
//display omega (ohms) symbol
display.drawBitmap(100.5 , omega_bmp, 16, 16, WHITE);
display.display();
}


Добрый день. Меня очень заинтересовал проект "Миллиомметр 0 — 20 Ом (Arduino)". Собрал модули на макетной плате. Залил приведенный Вами скетч, единственно что переделал вывод информации на LCD1602 по I2C и в существующей версии библиотеки #include <Adafruit_ADS1X15.h> в файле cpp не нашел строк для изменения с 1600SPS на 128SPS. После загрузки скетча с изменениями, на дисплее отображаются только различные символы в виде бегущей строки. Проверил всю аппаратную часть, всё работает. Но, что интересно после проверки LCD1602 простым выводом на дисплей любой фразы и загрузки скетча милиомметра (питание с Arduino Nano не снимал) на дисплее нормально отобразились показания в Om измеряемого резистора и mV. Если питание с Arduino Nano снять и снова подать на дисплее отображаются опять только различные символы. Подскажите в чём может быть причина.
#include <Adafruit_ADS1X15.h>
#include <Wire.h>
//#include <LiquidCrystal.h>
#include <LiquidCrystal_I2C.h> //Include NewLiquidCrystal Library for I2C
Adafruit_ADS1115 ads; //создание объекта ADS1115 с помощью библиотеки Adafruit_ADS1X15, адрес (0x48);
/* в файле библиотеки Adafruit_ADS1015.cpp найти все строчки: ADS1015_REG_CONFIG_DR_1600SPS и заменить на: ADS1015_REG_CONFIG_DR_128SPS */
//LiquidCrystal lcd(7, 8, 9, 10, 11, 12);// RS,E,D4,D5,D6,D7 //инициализация библиотеки LiquidCrystal с номерами контактов интерфейса
LiquidCrystal_I2C lcd(0x27, 16, 2); // инициализация библиотеки LiquidCrystal если подключение по I2C
float multiplier = 0.0078125;
const int u_pogr=10; // 10 мВ - погрешность ADS1115 при измерении 5 В
const float r_ogr=100.00; // эталонное сопротивление 100 Ом
float u3300;
int u_digital;
byte n,k;
long u_sum,u_an,x;
float u_iz,rx,rx_m;
void setup(void){
Serial.begin(9600); // инициализация монитора порта
lcd.begin(16, 2); //инициализация дисплея LCD1602
ads.begin(); //инициализация АЦП ADS1115
lcd.backlight(); //включить подсветку дисплея
delay(1000);
}
void loop(){
while(x<50){ // цикл будет выполняться, пока значение переменной x меньше 50
x++; // увеличение значения переменной x на единицу с возвращением старого значения
ads.setGain(GAIN_TWOTHIRDS); // устанавливается коэффициент усиления 2/3 для модуля ADS1115, диапазон входного напряжения — ±6,144 В
u3300=ads.readADC_SingleEnded(2)*0.1875-u_pogr;
}
k++;
if(k==60){x=0;k=0;} // измерение напряжения 5В каждую минуту
if(n==0){ads.setGain(GAIN_SIXTEEN);multiplier = 0.0078125;} // если значение переменной n равно 0, то нужно выполнить следующие действия: установить значение усиления (gain) для переменной ads как GAIN_SIXTEEN (16-кратное усиление), а значение множителя (multiplier) установить как 0,0078125. Значение GAIN_SIXTEEN соответствует диапазону измерений +/- 0,256 В, при этом 1 бит будет равен 0,0078125 мВ.
if(u_iz>250&&n==0){n=1;}
if(n==1){ads.setGain(GAIN_EIGHT);multiplier = 0.015625;}
if(u_iz>500&&n==1){n=2;}
if(n==2){ads.setGain(GAIN_FOUR);multiplier = 0.03125;}
if(u_iz<500&&n==2){n=1;}
if(u_iz<250&&n==1){n=0;}
lcd.setCursor(1,0); //***отображение в первой строке измеренного сопротивления Rx
if(rx<1){rx_m=rx*1000;lcd.print("R = ");lcd.print(rx_m,1);lcd.print(" mOm");}
if(rx>=1&&rx<20){lcd.print("R = ");lcd.print(rx,3);lcd.print(" Om");}
if(rx>=20){lcd.print(" Rx > 20 Om ");}
//***отображение во второй строке измеренного значения в mV
lcd.setCursor(1,1);
lcd.print("U = ");
lcd.print(u3300,1);
lcd.print(" mV");
u_sum=0;
for(int i=0;i<100;i++){
u_digital = ads.readADC_Differential_0_1();
u_sum = u_sum + u_digital;
delay(1);}
u_an=u_sum/100;
u_iz=u_an * multiplier;
rx=(u3300/((u3300-u_iz)/r_ogr))-r_ogr;
lcd.clear();
}Проверьте наличие подтягивающих резисторов на шине I2C, возможно где то плохой контакт.
Добрый день. По Вашей рекомендации проверил наличие подтягивающих резисторов между VCC и SCL, VCC и SDA на модуле LCD1602, величина сопротивления составляет 4,68 и 4,69 кОм. Проверил наличие подтягивающих резисторов между VDD и SCL, VDD и SDA на модуле ADS1115, величина сопротивления составляет 10кОм. Как вариант дополнительно установил подтягивающие резисторы величиной 4,4кОм на линии между VCC и SCL, VCC и SDA. Ситуация с отображением информации на дисплее осталась такой же. Если загружаю сначала скетч милиомметра, на дисплее отображаются только различные символы. Если же перед этим скетчем загружаю скетч с выводом на дисплей любой фразы, а потом загружаю скетч милиомметра (питание с Arduino Nano не снимал) на дисплее нормально отображаются показания измеряемого резистора в Om и mV. Если после этого питание с Arduino Nano снять (с загруженным скетчем милиомметра) и снова подать на дисплее отображаются опять только различные символы. 
на дисплее отображаются опять только различные символы.
На каком-то проекте у меня такое же было.
Я перед прошивкой загрузил скетч очистки памяти, потом свой скетч.
Так и победил напасть.
forum.rcl-radio.ru → Законченные проекты → Миллиомметр 0 — 20 Ом (Arduino)
Форум работает на PunBB, при поддержке Informer Technologies, Inc
|
|